Заказать звонок
Ваш регион:
Москва
Перейти на старый сайт

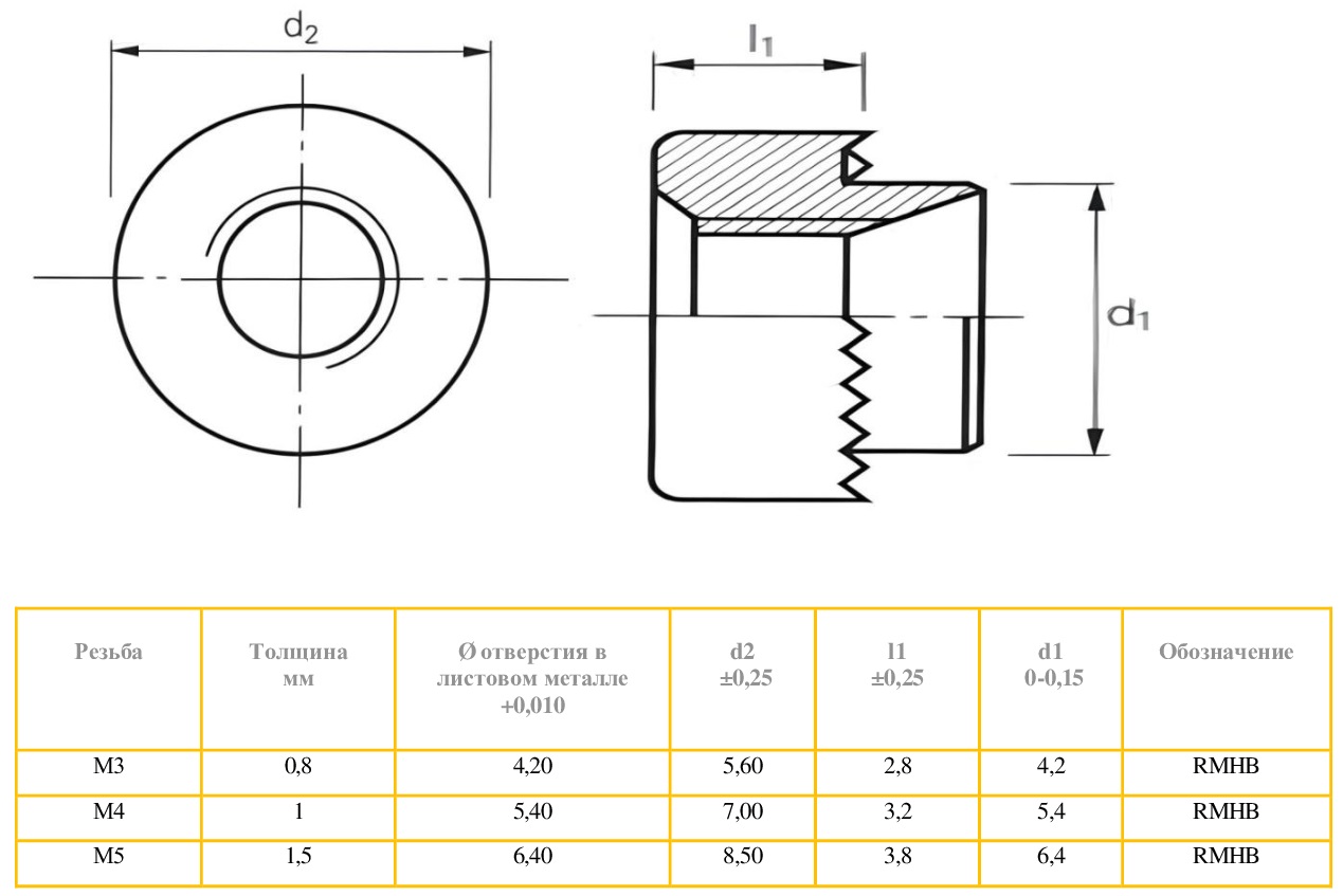
M4 HANK SERT MINI 22 SWG ST/ RMHB-M4-22 gz Гайка развальцовочная резьбовая М4 стальная оцинкованная для толщины металла 0,8 мм

M4 HANK SERT MINI 22 SWG ST/ RMHB-M4-22 gz Гайка развальцовочная резьбовая М4 стальная оцинкованная для толщины металла 0,8 мм

M4 HANK SERT MINI 22 SWG ST/ RMHB-M4-22 gz Гайка развальцовочная резьбовая М4 стальная оцинкованная для толщины металла 0,8 мм
6 551.19 ₽ /
1000 шт.
PF11-M3-2 PF11-M3-2
BSO-3,5M3-07 BSO-3,5M3-07
S-M6-0 S-M6-0
FH-M6-20 FH-M6-20